Products

MST8635A1KP是一款高压异步降压控制器,可在9v至60V的宽范围输入电压下工作。MST8635A1KP输出3.5A连续负载电流,效率高达96%。

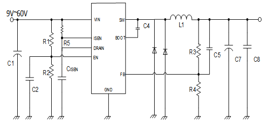
Application sample Datasheet

产品简介

MST8635A1KP是一款高压异步降压控制器,可在9v至60V的宽范围输入电压下工作。MST8635A1KP输出3.5A连续负载电流,效率高达96%。

MST8635A1KP采用固定频率峰值电流控制,内置补偿,无需外部组件。MST8635A1KP产品集成有短路保护、过流保护和过温保护等多种保护机制。MST8635A1KP具有多种保护功能,可以保护负载免受低压、过流和过温等故障的影响。MST8635A1KP采用底部带有散热片的ESOP8封装形式。

优势特点

■ 9V至600V的输入电压范围

■ 3.5A峰值功率管电流

■ 96%峰值效率

■ 500µA工作静态电流

■ 集成60V/100mΩ的NMOS管

■ 峰值电流控制模式

■ 150kHz固定开关频率

■ 内置补偿,便于使用

■ 占空比高达91%

■ FB端0.8V参考电压

■ 9µA关断电流

■ 内置短路保护功能

■ 过温保护功能

■ 采用ESOP8封装

应用电路